
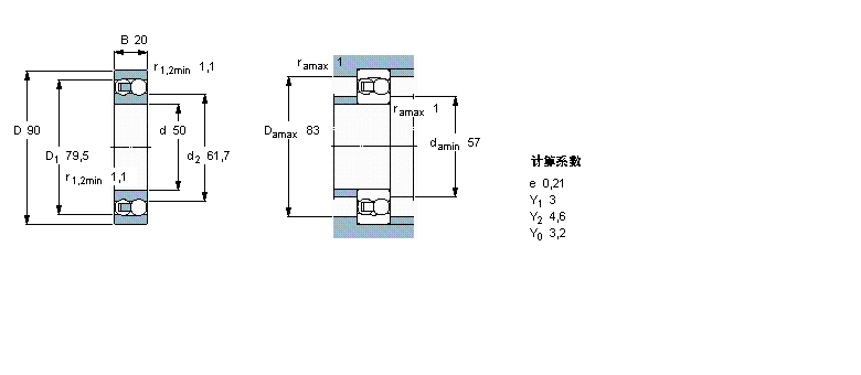
軸承型號:1210ETN9/W64
| 自調心球軸承, 含Solid Oil, 無密封件 | |||||||||
| 公差 , 參見文字 | |||||||||
| 徑向內部游隙 , 參見文字 | |||||||||
| 推薦配合 | |||||||||
| 軸和軸承座公差 | |||||||||
|
|
|||||||||
| 主要數據尺寸 | 基本負荷額定值 | 疲勞負荷限值 | 限制速度 | 體積 | 型號 | ||||
| 動態(tài) | 靜態(tài) | ||||||||
| d | D | B | C | C0 | Pu | ||||
|
|
|||||||||
| mm | kN | kN | r/min | kg | - | ||||
|
|
|||||||||
| 50 | 90 | 20 | 26,5 | 9,15 | 0,48 | 560 | 0,53 | 1210 ETN9/W64 | |