
軸承型號:1314
| 自調心球軸承, 圓柱孔和圓錐孔, 圓柱型內孔, 無密封件 | ||||||||||
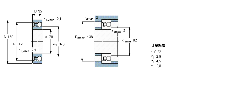
| 公差 , 參見文字 | ||||||||||
| 徑向內部游隙 , 參見文字 | ||||||||||
| 推薦配合 | ||||||||||
| 軸和軸承座公差 | ||||||||||
|
|
||||||||||
| 主要數據尺寸 | 基本負荷額定值 | 疲勞負荷限值 | 額定速度 | 體積 | 型號 | |||||
| 動態(tài) | 靜態(tài) | 參照速度 | 限制速度 | |||||||
| d | D | B | C | C0 | Pu | |||||
|
|
||||||||||
| mm | kN | kN | r/min | kg | - | |||||
|
|
||||||||||
| 70 | 150 | 35 | 74,1 | 27,5 | 1,34 | 8500 | 6000 | 3,00 | 1314 | |