
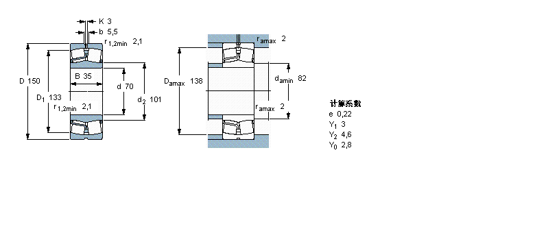
軸承型號:21314E/W64
| 球面滾子軸承, 圓柱型內孔,含Solid Oil, 圓柱型內孔 | |||||||||
| 公差 , 參見文字 | |||||||||
| 徑向內部游隙 , 參見文字 | |||||||||
| 推薦配合 | |||||||||
| 軸和軸承座公差 | |||||||||
|
|
|||||||||
| 主要數據尺寸 | 基本負荷額定值 | 疲勞負荷限值 | 限制速度 | 體積 | 型號 | ||||
| 動態(tài) | 靜態(tài) | ||||||||
| d | D | B | C | C0 | Pu | * - SKF Explorer 軸承 | |||
|
|
|||||||||
| mm | kN | kN | r/min | kg | - | ||||
|
|
|||||||||
| 70 | 150 | 35 | 285 | 325 | 34,5 | 380 | 3,10 | 21314 E/W64 * | |