
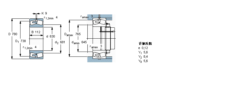
軸承型號:238/630CAMA/W20
| 球面滾子軸承, 圓柱和圓錐孔, 圓柱型內孔, 無密封件 | ||||||||||
| 公差 , 參見文字 | ||||||||||
| 徑向內部間隙, 圓柱型內孔 , 圓錐型內孔, 無密封件 , 參見文字 | ||||||||||
| 推薦配合 | ||||||||||
| 軸和軸承座公差 | ||||||||||
|
|
||||||||||
| 主要數據尺寸 | 基本負荷額定值 | 疲勞負荷限值 | 額定速度 | 體積 | 型號 | |||||
| 動態(tài) | 靜態(tài) | 參照速度 | 限制速度 | |||||||
| d | D | B | C | C0 | Pu | |||||
|
|
||||||||||
| mm | kN | kN | r/min | kg | - | |||||
|
|
||||||||||
| 630 | 780 | 112 | 2190 | 6100 | 415 | 400 | 750 | 120 | 238/630 CAMA/W20 | |