
軸承型號:BC2B320055A
| 滾子分度單元, 滾子分度單元 | ||||||||||
| 公差 , 參見文字 | ||||||||||
| 徑向內部間隙, 參見文字 | ||||||||||
| 推薦配合 | ||||||||||
| 軸和軸承座公差 | ||||||||||
|
|
||||||||||
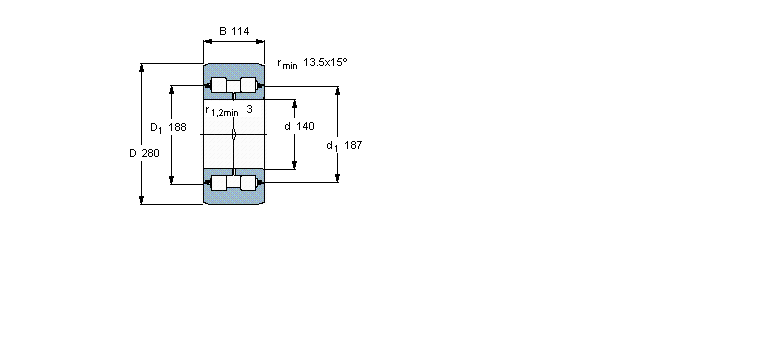
| 主要數據尺寸 | 基本負荷額定值 | 疲勞負荷限值 | 最大徑向負荷 | 體積 | 型號 | |||||
| 滾子 | ||||||||||
| 動態(tài) | 靜態(tài) | 動態(tài) | 靜態(tài) | |||||||
| d | D | B | C | C0 | Pu | Fr | F0r | |||
|
|
||||||||||
| mm | kN | kN | kN | kg | - | |||||
|
|
||||||||||
| 140 | 280 | 114 | 671 | 1000 | 112 | 530 | 750 | 34,0 | BC2B 320055 A | |