
軸承型號(hào):OH31/560HE
| 緊定套 | ||||||||||
|
|
||||||||||
| 尺寸 | 體積 | 型號(hào) | ||||||||
| 緊定軸套帶螺母 | 鎖定螺母 | 鎖定裝置 | 適宜的液壓 | |||||||
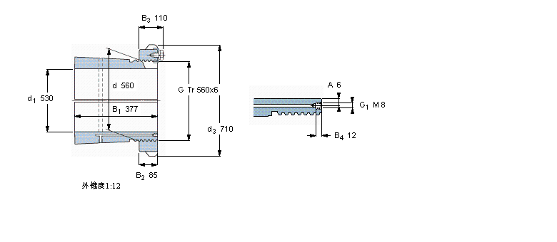
| d1 | d | d3 | B1 | G | 和鎖緊裝置 | 螺母 | ||||
|
|
||||||||||
| mm | kg | - | ||||||||
|
|
||||||||||
| 530 | 560 | 710 | 377 | Tr 560x6 | 185 | OH 31/560 HE | HME 31/560 | MS 31/600-560 | HMV 112 E | |