
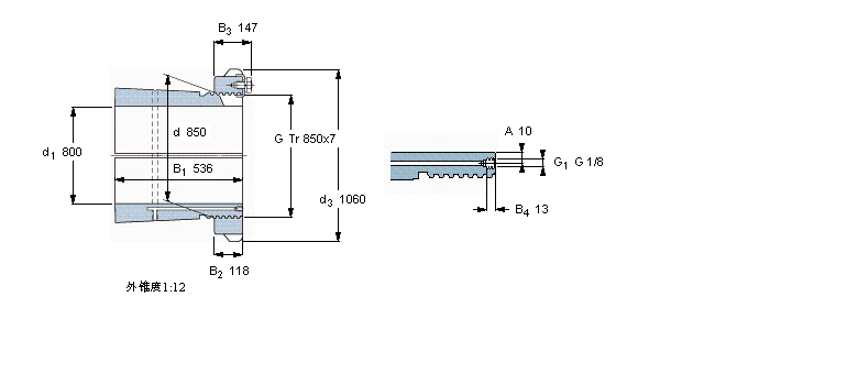
軸承型號(hào):OH31/850HE
| 緊定套 | ||||||||||
|
|
||||||||||
| 尺寸 | 體積 | 型號(hào) | ||||||||
| 緊定軸套帶螺母 | 鎖定螺母 | 鎖定裝置 | 適宜的液壓 | |||||||
| d1 | d | d3 | B1 | G | 和鎖緊裝置 | 螺母 | ||||
|
|
||||||||||
| mm | kg | - | ||||||||
|
|
||||||||||
| 800 | 850 | 1060 | 536 | Tr 850x7 | 616 | OH 31/850 HE | HME 31/850 | MS 31/850 | HMV 170 E | |