
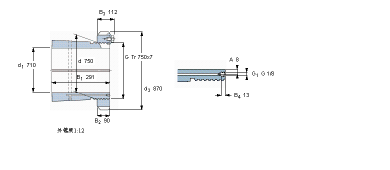
軸承型號(hào):OH39/750H
| 緊定套 | ||||||||||
|
|
||||||||||
| 尺寸 | 體積 | 型號(hào) | ||||||||
| 緊定軸套帶螺母 | 鎖定螺母 | 鎖定裝置 | 適宜的液壓 | |||||||
| d1 | d | d3 | B1 | G | 和鎖緊裝置 | 螺母 | ||||
|
|
||||||||||
| mm | kg | - | ||||||||
|
|
||||||||||
| 710 | 750 | 870 | 291 | Tr 750x7 | 211 | OH 39/750 H | HM 30/750 | MS 30/800-750 | HMV 150 E | |